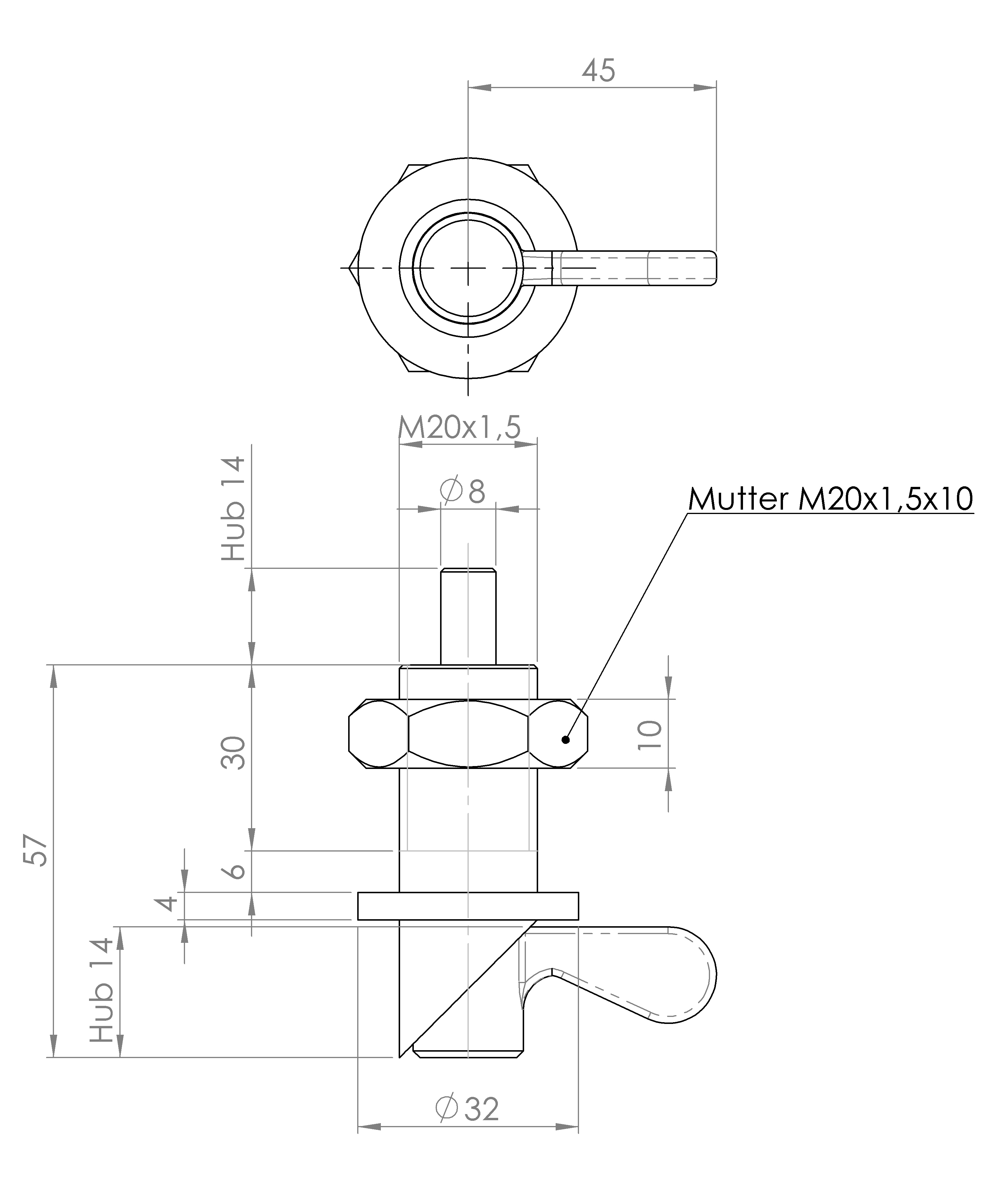
Federriegel werden eingesetzt, wenn der Arretierbolzen zeitweise nicht vorstehen darf. Durch Drehen des Knebels um 180° wird der Arretierbolzen eingezogen. Eine Rastkerbe bewirkt, dass der Knebel in dieser Stellung gehalten wird. Das Gewinde (Standardmaß: M20x1,5) sowie der Anschlag sorgen für ein unkompliziertes Befestigen an gewünschter Stelle.
Verfügbare Ausführungen
Wählen Sie aus den untenstehenden Ausführungen. Die aktuell gewählte ist jeweils farbig unterlegt.
| Zeichnung | Artikel-Nr. | Bolzendurchmesser | Hub | Material | Oberfläche |
|---|---|---|---|---|---|
| 2149.3241 | 8 | 14 | Stahl | blank | |
| 2149.3242 | 10 | 10 | Stahl | blank | |
| 2149.3243 | 10 | 14 | Stahl | blank | |
| 2149.3244 | 12 | 14 | Stahl | blau verzinkt | |
| 2149.3245 | 15 | 14 | Stahl | blau verzinkt | |
| 2149.3249 | 10 | 14 | Stahl | blau verzinkt | |
| 2149.3250 | 10 | 10 | Stahl | blau verzinkt | |
| 2149.3251 | 8 | 14 | Stahl | blau verzinkt | |
| 2149.3252 | 8 | 14 | Edelstahl | blank | |
| 2149.3253 | 10 | 10 | Edelstahl | blank | |
| 2149.3255 | 10 | 14 | Edelstahl | blank | |
| 2149.3256 | 12 | 14 | Edelstahl | blank | |
| 2149.3257 | 15 | 14 | Edelstahl | blank |