Zum Hauptinhalt springen Zur Suche springen Zur Hauptnavigation springen
Produktkatalog

Verfügbare Ausführungen

Wählen Sie aus den untenstehenden Ausführungen. Die aktuell gewählte ist jeweils farbig unterlegt.

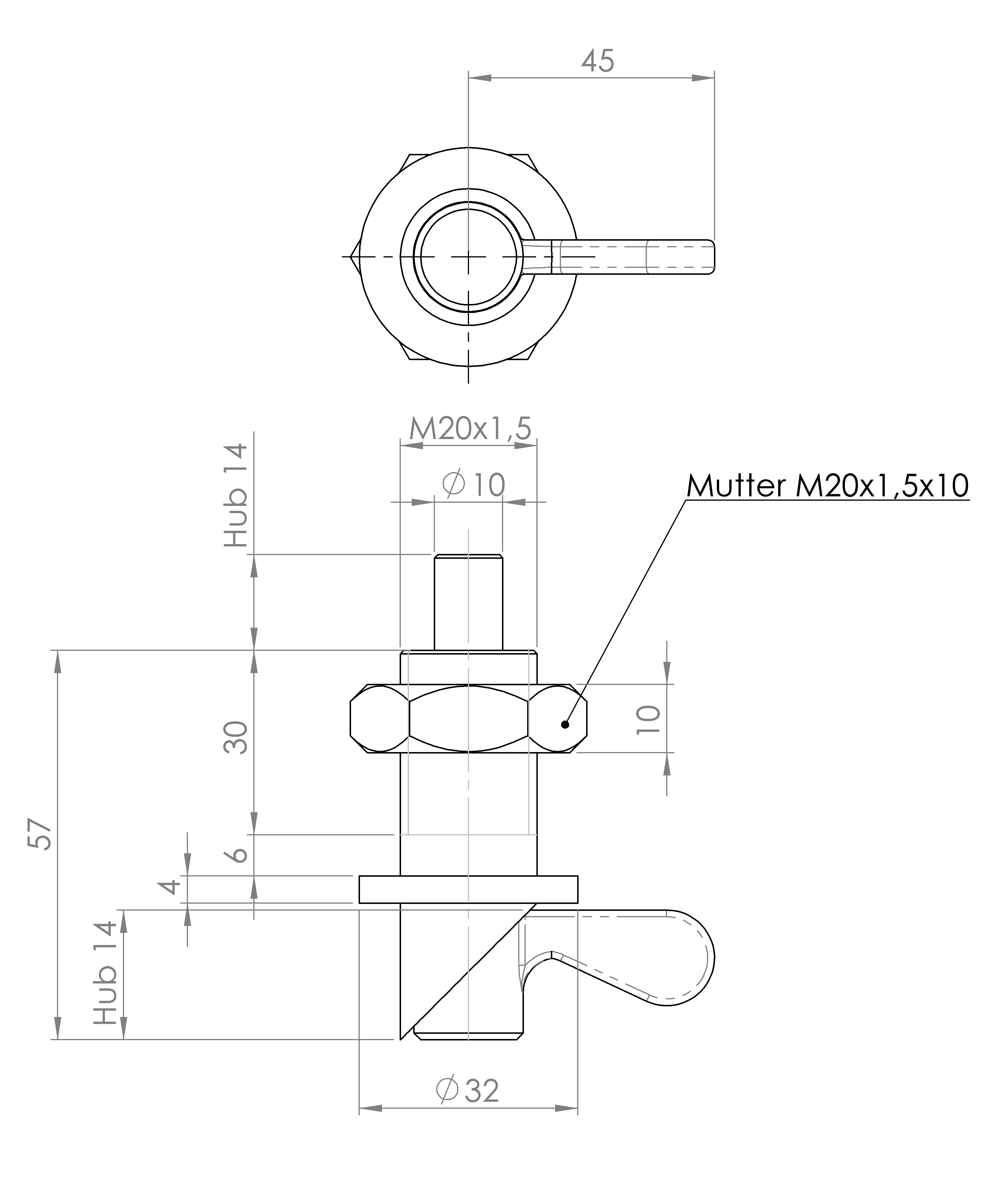
Zeichnung Artikel-Nr. Bolzendurchmesser Hub Material Oberfläche
2149.3241 8 14 Stahl blank
2149.3242 10 10 Stahl blank
2149.3243 10 14 Stahl blank
2149.3244 12 14 Stahl blau verzinkt
2149.3245 15 14 Stahl blau verzinkt
2149.3249 10 14 Stahl blau verzinkt
2149.3250 10 10 Stahl blau verzinkt
2149.3251 8 14 Stahl blau verzinkt
2149.3252 8 14 Edelstahl blank
2149.3253 10 10 Edelstahl blank
2149.3255 10 14 Edelstahl blank
2149.3256 12 14 Edelstahl blank
2149.3257 15 14 Edelstahl blank